Centro Multigeneracional del Área de Kerman

Taller Comunitario #3 Encuesta en Línea
Concepto Preferido

¡Añada su aportación al diseño del Centro Multigeneracional del Área de Kerman!

Community Workshop #2 Online Survey: To take the survey in English, click here.
ਕਮਿਊਨਿਟੀ ਵਰਕਸ਼ਾਪ #3 ਆਨਲਾਈਨ ਸਰਵੇਖਣ: ਸਰਵੇਖਣ ਪੰਜਾਬੀ ਵਿੱਚ ਭਰਨ ਲਈ, ਇੱਥੇ ਕਲਿੱਕ ਕਰੋ।


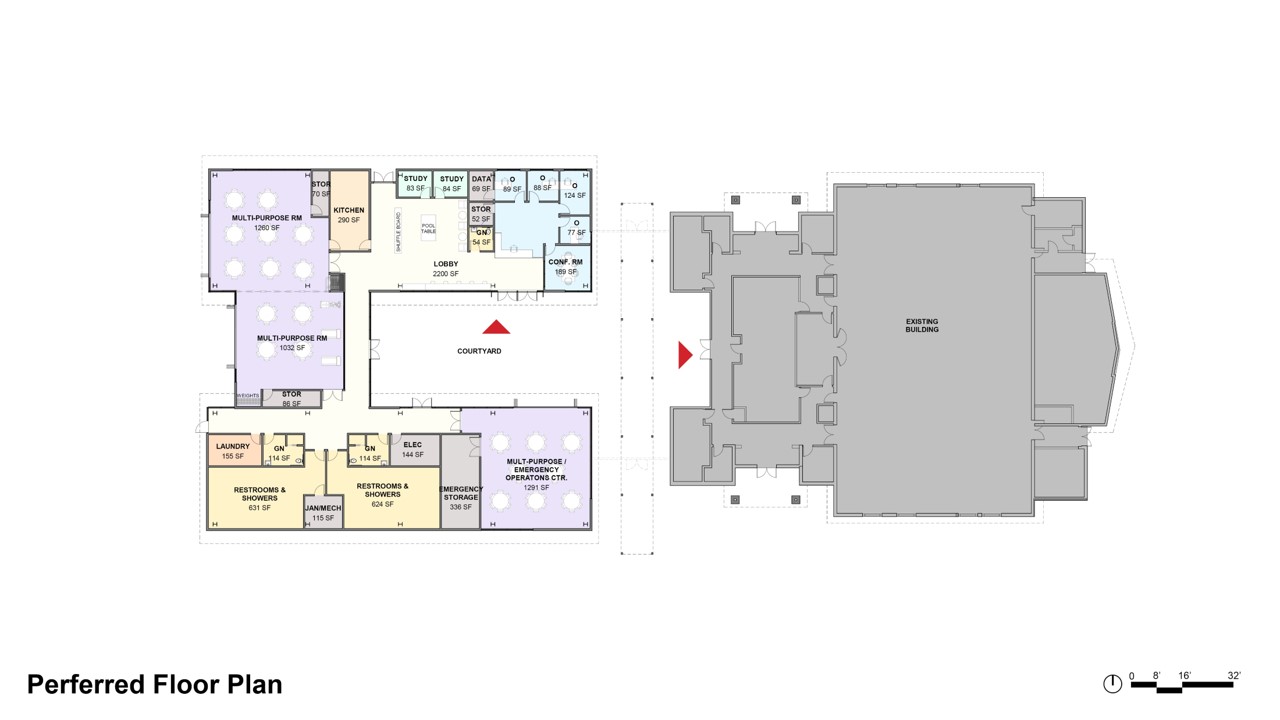
El miércoles 18 de marzo, la Ciudad de Kerman y ELS Architecture and Urban Design facilitaron la tercera y última parte de una serie de tres talleres para desarrollar el Diseño Conceptual del nuevo Centro Multigeneracional del Área de Kerman. Basándose en las ideas obtenidas del Taller #1 (21 de enero) y el Taller #2 (18 de febrero), así como en las respuestas continuas de encuestas en vivo, el equipo de ELS ha presentado un Concepto Preferido para el nuevo Centro Multigeneracional del Área de Kerman. La comunidad se reunió en el Centro Comunitario de Kerman para escuchar una presentación de la Ciudad y el Equipo de Diseño sobre el proceso y las aportaciones que llevaron el diseño hasta este punto. Los asistentes procedieron a revisar el Concepto Preferido y a proporcionar información adicional.

Al igual que los conceptos anteriores A, B y C del Taller #2, el Concepto Preferido mantiene una programación similar, pero introduce un plan más refinado. El plan incluye: diseños de oficinas actualizados, la incorporación de mesa de billar y shuffleboard, espacio para hacer ejercicio y mobiliario para áreas de descanso/socialización. El patio fue estudiado con mayor profundidad para incluir programación adicional y elementos de sombra, así como pequeños ajustes de diseño para mejorar la eficiencia de los espacios. También se exploró la señalización y orientación en Kerman para dirigir a la comunidad hacia el patio interior y luego al vestíbulo, al mismo tiempo que se crea una sinergia entre el centro comunitario existente y el nuevo centro.

¡Por favor revise el Concepto Preferido! Su opinión es esencial mientras finalizamos el Centro Multigeneracional del Área de Kerman antes de presentarlo al Concejo Municipal.

Concepto Preferido
Las características clave del Concepto Preferido incluyen:

Expansión separada: Mantener el nuevo edificio separado del edificio existente permite que el proyecto evite una modernización sísmica del centro comunitario existente; esto permite que el nuevo edificio sea más grande, con más oportunidades de programación.

Organización: El nuevo centro está organizado alrededor de un patio central que proporciona un espacio interior-exterior aislado para reuniones y pequeños eventos. Los espacios interiores en el perímetro del edificio ofrecen vistas hacia G St y Kerckhoff Park al sur, el parque al oeste y el estacionamiento al norte. El nuevo centro alberga salas multiusos, operaciones de emergencia, almacenamiento de emergencia, salas de conferencias privadas, espacios administrativos, cocina, lavandería, baños y duchas.

Carácter arquitectónico: Las formas de techo inclinado complementan los techos a dos aguas del centro comunitario existente mientras enmarcan el patio central. Esta coherencia ayuda a establecer una presencia cívica reconocible y un lenguaje arquitectónico que respalda una comunidad cohesionada y un campus orientado a la resiliencia.

El Concepto Preferido reconfigura los espacios de estacionamiento al otro lado de la calle en Kerckhoff Park, lo que permite que el centro mantenga su número actual de estacionamientos; esto proporciona más espacio para la reurbanización del sitio del proyecto.
¿Cuál es tu parte favorita del Concepto Preferido y por qué?
¿Cuál es tu parte menos favorita del Concepto Preferido y por qué?
¿Qué más debería incluirse?
Agradecemos su tiempo para asistir al Taller #3 y/o agregar sus comentarios que aportan su visión a este nuevo y emocionante proyecto. Asegúrese de presionar el botón “Listo” abajo para presentar sus comentarios.

La Ciudad de Kerman